主页 关于我们 设计服务 产品展示 技术支持 招聘信息 联系我们 English
  • 主页
  • 关于我们
  • 设计服务
  • 产品展示
  • 技术支持
  • 招聘信息
  • 联系我们
产品详细信息 返回
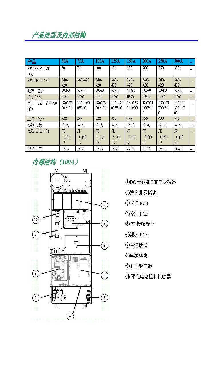
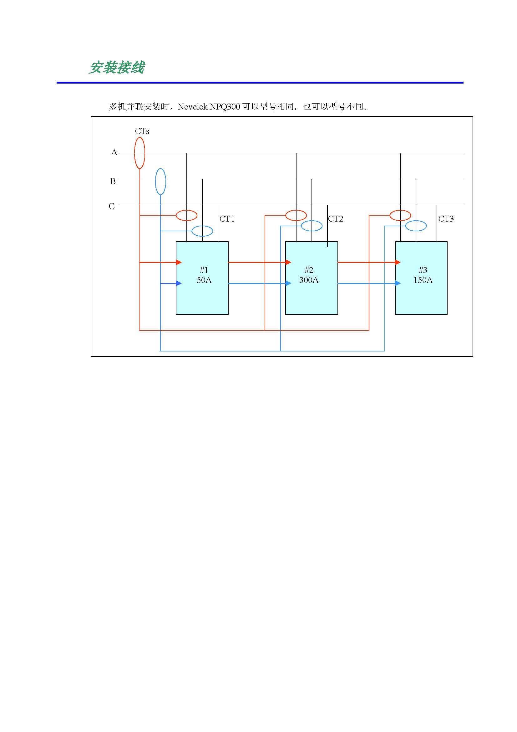
NPQ300电力谐波保护柜
footer